Dysza dalekiego zasięgu kierunkowa JNS fi 125
DYSZA DALEKIEGO ZASIĘGU JNS Ø125 MM

Dysza JNS to specjalistyczny element wentylacji przemysłowej do obiektów wielkokubaturowych (hale, magazyny, zakłady produkcyjne), zapewniająca zasięg rzucania powietrza do 30 metrów przy niskim poziomie hałasu.
Kluczowe parametry techniczne:
- Zasięg strumienia: do 30 m
- Średnica króćca: 125 mm
- Materiał: aluminium + stal ocynkowana
- Wykończenie: lakier proszkowy RAL 9003 (biały)
- Certyfikat: atest NIZP-PZH
Główne zalety:
- Wysoka wydajność – duża ilość powietrza przy minimalnym hałasie
- Regulacja ręczna – precyzyjne ustawienie kąta i siły wypływu strugi
- Uniwersalny montaż – na przewodach prostokątnych i okrągłych
- Szczelne połączenie – kołnierz blaszany + uszczelka w zestawie
Montaż i podłączenie:
Dysze dalekiego zasięgu JNS nadają się do montażu na przewodach prostokątnych i okrągłych. Wyposażone są w kołnierz blaszany nie przewiercany przymocowany za pomocą nitów co ułatwia montaż. Przed złączeniem należy włożyć uszczelkę. Dla bezpośrednich połączeń z rurami lub przewodami elastycznymi przewidziano króciec przyłączny. Średnica króćca jest dopasowana do handlowych wymiarów przewodów.


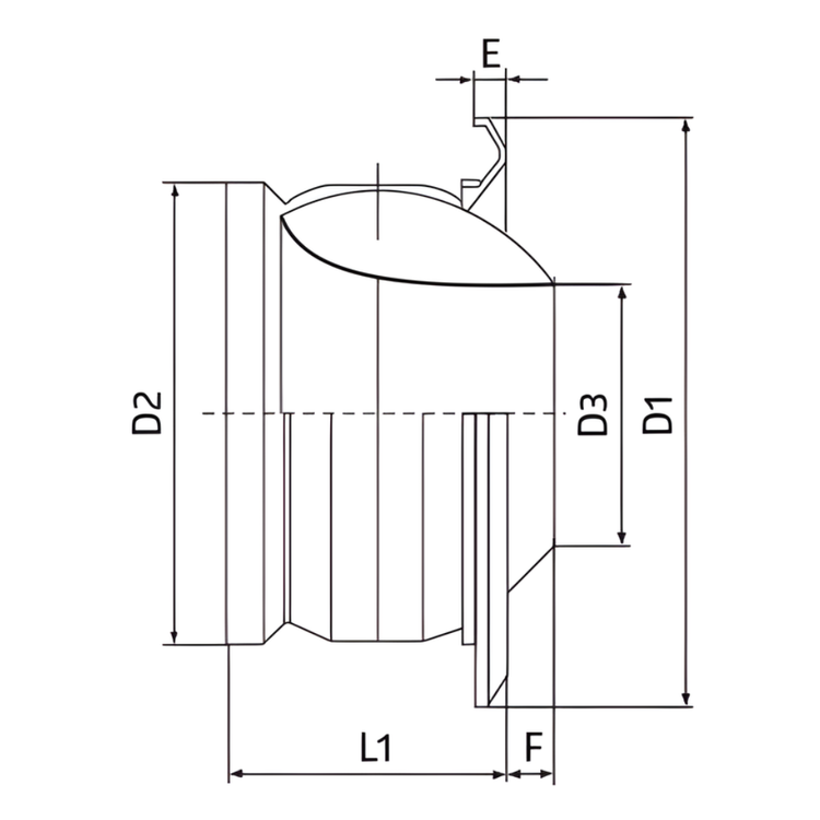
Wymiary techniczne [mm]:
- D1 (zewn. kołnierz): 170,4
- D2 (wewn. kołnierz): 123,3
- D3 (średnica otworu): 60,2
- E (grubość kołnierza): 17,9
- F (wys. dyszy): 8,1
- L1 (całkowita długość): 90,8
Zastosowanie:
- Hale produkcyjne, magazyny, centra logistyczne
- Wentylacja nawiewna w obiektach o wysokim kubatury
- Systemy HVAC wymagające dalekiego rzutu powietrza
- Obiekty przemysłowe z atestem NIZP-PZH
Dysza JNS Ø125 to profesjonalne rozwiązanie dla wymagających instalacji wentylacyjnych, gdzie kluczowa jest skuteczność, cicha praca i łatwość montażu w trudnych warunkach przemysłowych.







