Wentylator Osiowy Ścienny Wyciągowy AYAS BTA 200
Wentylator ścienny osiowy BTA-200-4K-M 630 m³/h Ø200

Wentylator przemysłowy BTA-200-4K-M o wydajności 630 m³/h dedykowany do montażu ściennego w dowolnej pozycji. Zwarte wymiary i uniwersalność sprawiają, że sprawdza się w wentylacji ogólnej pomieszczeń przemysłowych i użytkowych – sklepach, biurach, garażach i magazynach.
Wytrzymała konstrukcja antykorozyjna
Obudowa i śmigło z blachy DKP zabezpieczone elektrostatyczną farbą proszkową przed korozją. Silnik aluminiowy z odpornym na wysoką temperaturę łożyskiem samosmarującym i równowagą dynamiczną śmigieł zapewniają cichą pracę (48 dB(A)). Klasa ochrony IP44 i izolacja klasy B.
Parametry techniczne
- Wydajność: 630 m³/h
- Prędkość obrotowa: 1400 obr./min
- Moc: 50 W / Pobór prądu: 0,25 A
- Zasilanie: 230 V / 50 Hz
- Poziom hałasu: 48 dB(A)
Montaż i regulacja
Wentylator montuje się na płytach szklanych, metalowych i drewnianych dzięki dołączonym śrubom montażowym. Opcjonalny regulator prędkości umożliwia dostosowanie przepływu powietrza do potrzeb. Aerodynamicznie wyprofilowane łopatki zapewniają wysoką skuteczność przy minimalnym hałasie.


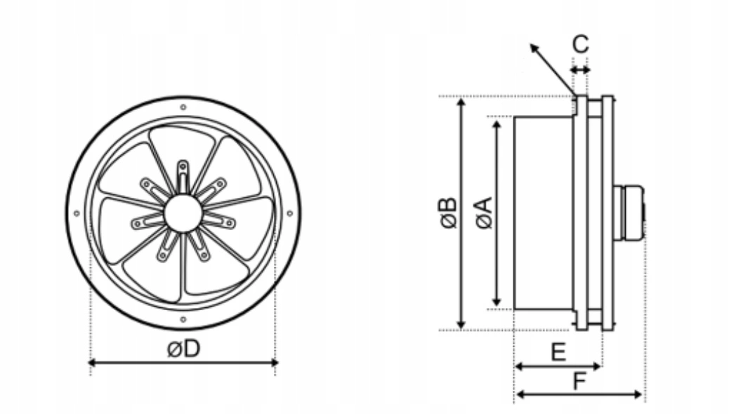
Wymiary
A (średnica): 204 mm
B: 265 mm
C: 16 mm
D: 190 mm
E: 45 mm
F: 112 mm














